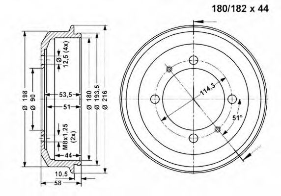
Аналог - KAWE 7D0551
-
KAWE
- Бренд: KAWE
- Диаметр [мм]: 180
- Внутрен. высота торм. барабана [мм]: 44
- Общ. высота торм. барабана [мм]: 76
- для артикула №: 7D0551
- ? фаски 2 [мм]: 50,2
- Опции: Со шпильками
- Количество отверстий 1: 4
-
NATIONAL
- Бренд: NATIONAL
- Сторона установки: Задний мост
- ? отверстия [мм]: 76
- Диаметр барабана: 180.0
- Наружн. диаметр торм. барабана (мм): 216
- Внутрен. высота торм. барабана [мм]: 45
- Общ. высота торм. барабана [мм]: 58,5
- Количество отверстий: 4
-
PROTECHNIC
- Бренд: PROTECHNIC
- Диаметр барабана: 180
- Внутрен. высота торм. барабана [мм]: 44
- Количество отверстий: 4
- ? фаски 2 [мм]: 114
- Макс. размер расточки тормозного барабана [мм]: 182
-
ROTINGER
- Бренд: ROTINGER
- Внутренний диаметр: 180
- Наружн. диаметр торм. барабана (мм): 216
- Диаметр центрирования [мм]: 90
- Высота [мм]: 58
- Внутрен. высота торм. барабана [мм]: 44
- Макс. размер расточки тормозного барабана [мм]: 182
- Количество отверстий: 4
- Размер резьбы: 12,50
- ? фаски 2 [мм]: 114,3
-
-
-
-
KAVO PARTS
- Бренд: KAVO PARTS
- Количество отверстий: 4
- Высота [мм]: 58,5
- Диаметр ступицы 1 [мм]: 90
- ? фаски 2 [мм]: 114,3
- Внутрен. высота торм. барабана [мм]: 39
- Диаметр барабана: 180
-
LPR
- Бренд: LPR
- ? фаски 2 [мм]: 50,2
- Внутрен. высота торм. барабана [мм]: 44
- Количество отверстий 1: 4
- Опции: Со шпильками
- Общ. высота торм. барабана [мм]: 76
- Диаметр [мм]: 180
- для артикула №: 7D0551
-
MINTEX
- Бренд: MINTEX
- Диаметр барабана: 180
- Внутрен. высота торм. барабана [мм]: 44,7
- Расположение/число отверстий: 04/06
- ? фаски 2 [мм]: 114,3
- Диаметр центрирования [мм]: 90
- Опции: Без ступицы / Без колесной крепящей оси
-
PAGID
- Бренд: PAGID
- Диаметр барабана: 180
- Внутрен. высота торм. барабана [мм]: 44,7
- Расположение/число отверстий: 04/06
- ? фаски 2 [мм]: 114,3
- Диаметр центрирования [мм]: 90
- Опции: Без ступицы / Без колесной крепящей оси
-
TEXTAR
- Бренд: TEXTAR
- Диаметр барабана: 180
- Внутрен. высота торм. барабана [мм]: 44,7
- Расположение/число отверстий: 04/06
- ? фаски 2 [мм]: 114,3
- Диаметр центрирования [мм]: 90
- Опции: Без ступицы / Без колесной крепящей оси
-
TRISCAN
- Бренд: TRISCAN
- Диаметр барабана: 180
- Количество отверстий: 4
- ? отверстия ступицы [мм]: 90
